Ficha técnica
• Instrucciones de instalación y cableado
I-1240
El conmutador Switchcraft bipolar de 3 vías ha sido el estándar en Gibson® y otras guitarras americanas de 2 pastillas.

• Notas sobre cableado
Reduzca el ruido eléctrico no deseado utilizando un cable coaxial blindado para sus recorridos de cableado más largos (por ejemplo, la conexión entre los controles y el conector de salida). El cable coaxial contiene un conductor central "vivo" que está protegido por una trenza exterior que se utiliza para el cable de tierra.
Para conexiones cortas entre componentes, use cable estándar no blindado. Por lo general, se usa cable blanco para caliente y negro para tierra al puente.
• Sobre nuestros kits
Los kits de cableado Stewart-MacDonald contienen cable no blindado blanco y negro, más cable coaxial blindado. Se incluye un cable negro adicional para conectar a tierra el puente.
• # 2193 Gibson® Les Paul® Push-pull Wiring Kit línea horizontal
Los kits de cableado con potenciómetros push-pull CTS dividen las bobinas de las humbuckers para que funcionen con una sola bobina al cablear su Gibson® Les Paul® o SG®. Estos son para pastillas humbucking con acceso de enlace en serie (3 cables, 5 cables, etc.).

• # 2194 Línea horizontal del kit de cableado Gibson® SG® Push-Pull
Los kits de cableado con potenciómetros push-pull CTS dividen las bobinas de las humbuckers para que funcionen con una sola bobina al cablear su Gibson® Les Paul® o SG®. Estos son para pastillas humbucking con acceso de enlace en serie (3 cables, 5 cables, etc.).

• #2133 Gibson® Les Paul®, #2133-SP Les Paul Special® and #2134 SG® Wiring Kits


Cableado de control de volumen alternativo
Puede conectar ambos controles de volumen de una Les Paul (o cualquier otro instrumento de control de volumen dual) para que pueda mezclar el volumen de las pastillas de forma independiente. Esto resuelve el problema en la posición media del interruptor selector, en el que bajar un control de volumen afecta a ambas pastillas.

• Gibson® Jimmy Page Les Paul® Wiring Diagram línea horizontal
Esta opción de cableado JPLP le permite cortar en bobina la pastilla del puente usando un control de tono push-pull. La otra característica del cableado JPLP es que en la posición media del selector de pastilla, la pastilla del puente está desfasada con la pastilla del mástil.En esta configuración, el puente humbucker no puede ser una pastilla de 2 conductores. La pastilla debe tener cables de 3 o 4 conductores, más un blindaje o un cable desnudo. Siga las especificaciones del fabricante de su pastilla y conecte el enlace en serie (corte en espiral) a la olla push-pull como se muestra en el diagrama. Conecte el cable desnudo y el cable típico "caliente" a tierra (generalmente la parte posterior del potenciómetro de volumen). Luego, conecte el cable de tierra típico al terminal de entrada del control de volumen de la pastilla del puente. Esto debería darle un sonido fuera de fase en la posición media. De lo contrario, simplemente invierta los cables de tierra y de conexión de la pastilla del puente.

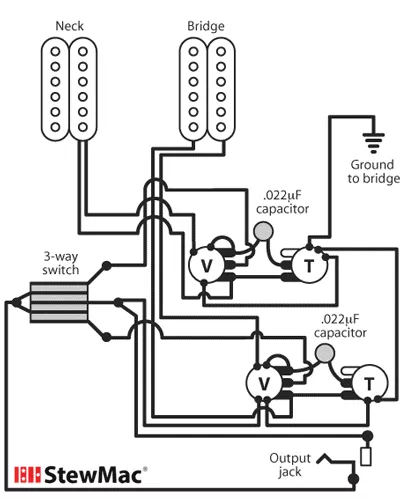
• # 2136 Kit de cableado para línea horizontal de guitarra de 2 pastillas
Este diagrama de cableado es adecuado para cualquier guitarra de dos pastillas con humbuckers, bobinas simples o una combinación de ambos (volumen maestro, tono maestro).

• StewMac:
Origen: EEUU
Durante casi 50 años, Stewart-MacDonald ha proporcionado a los fabricantes de instrumentos, vendedores y talleres de reparación del mundo la más amplia selección de herramientas de lutería innovadoras de origen Americana.